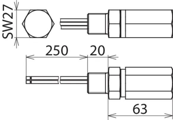
DEHNpipe
:quality(98)/www.dehn.co.uk/store/f/63045890/HDVORSCHAU/929952a1_16-9.jpg)
:quality(98)/www.dehn.co.uk/store/f/63045890/HDVORSCHAU/929952a1_16-9.jpg)
- Parallel or series connection
- Made of corrosion-resistant stainless steel
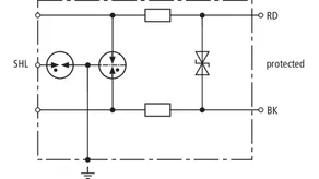
- Arrester for protecting a second interface (data or power side) available
- For protecting intrinsically safe measuring circuits and bus systems Ex (i)
- Type in a flameproof enclosure Ex (d)
Details
:quality(98)/www.dehn.co.uk/store/f/63045892/HDVORSCHAU/929952a2_Kat.jpg)
:quality(98)/www.dehn.co.uk/store/f/63045892/HDVORSCHAU/929952a2_Kat.jpg)
:quality(98)/www.dehn.co.uk/store/f/63045893/HDVORSCHAU/929952a3_Kat.jpg)
:quality(98)/www.dehn.co.uk/store/f/63045893/HDVORSCHAU/929952a3_Kat.jpg)
:quality(98)/www.dehn.co.uk/store/f/63045891/HDVORSCHAU/929921_941_Kat.jpg)
:quality(98)/www.dehn.co.uk/store/f/63045891/HDVORSCHAU/929921_941_Kat.jpg)
:quality(98)/www.dehn.co.uk/store/f/63045894/HDVORSCHAU/929952a4_Kat.jpg)
:quality(98)/www.dehn.co.uk/store/f/63045894/HDVORSCHAU/929952a4_Kat.jpg)
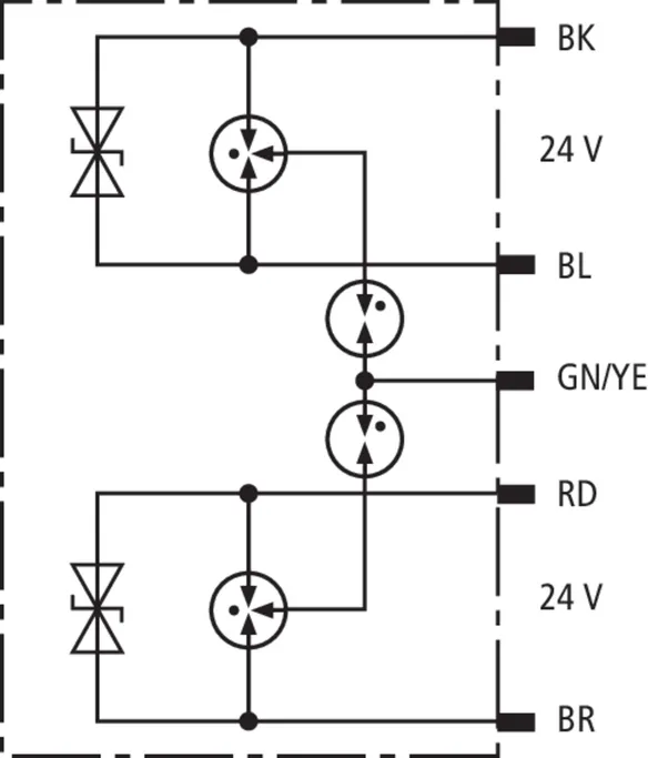
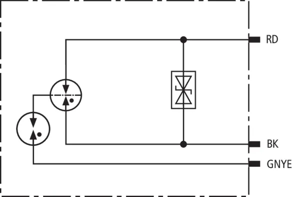
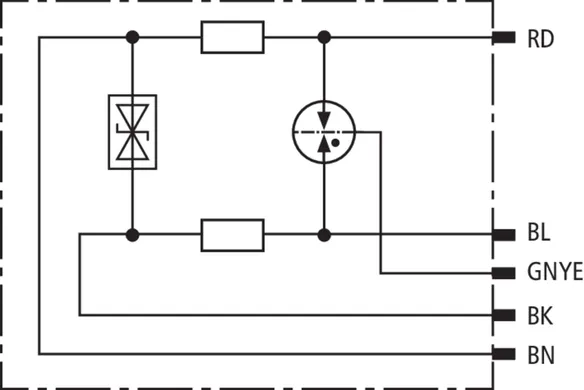
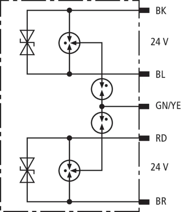
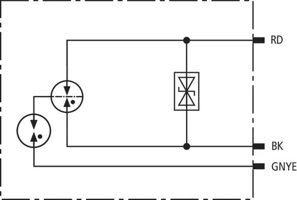
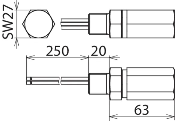
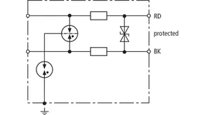
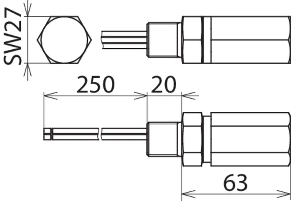
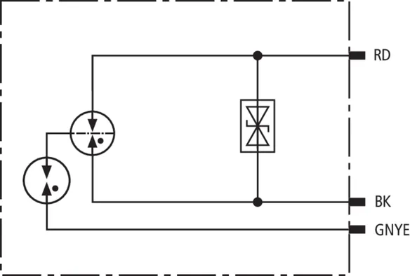
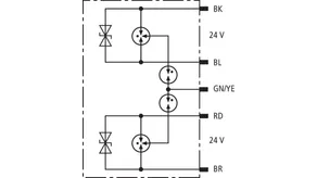
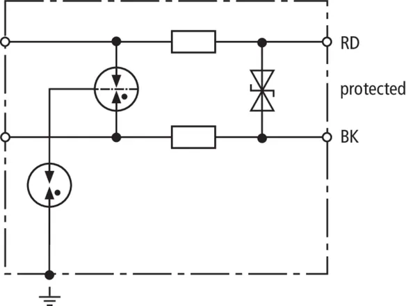
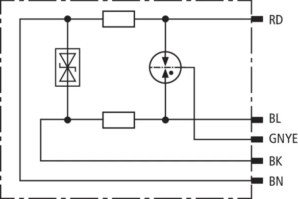
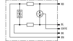
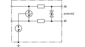
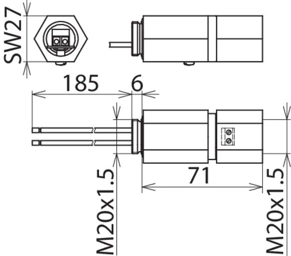
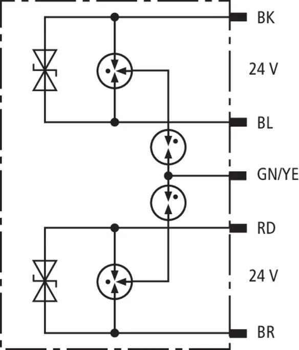
Part No. 929941 DPI MD 24 M 2S
GTIN 4013364098152, Customs tariff No. (EU): 85363010, Gross weight: 187.40 g, PU: 1.00 pc(s)
Technical data
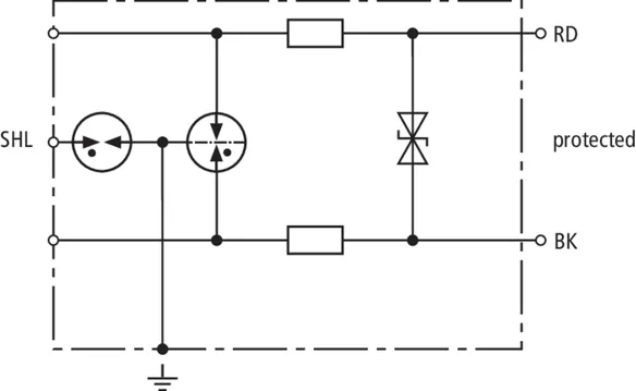
SPD class | Q |
Max. continuous operating voltage (d.c.) (UC ) | 34.8 V |
Nominal current (IL ) | 0.5 A |
D1 Lightning impulse current (10/350 µs) per line (Iimp ) | 1 kA |
C2 Total nominal discharge current (8/20 µs) (In ) | 10 kA |
Cut-off frequency line-line (fG ) | 14 MHz |
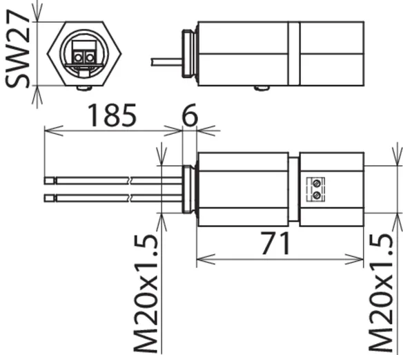
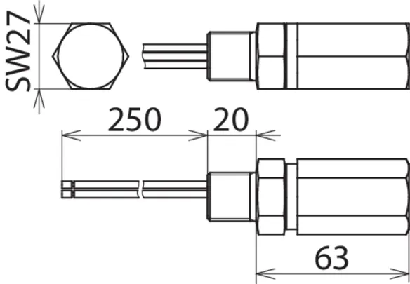
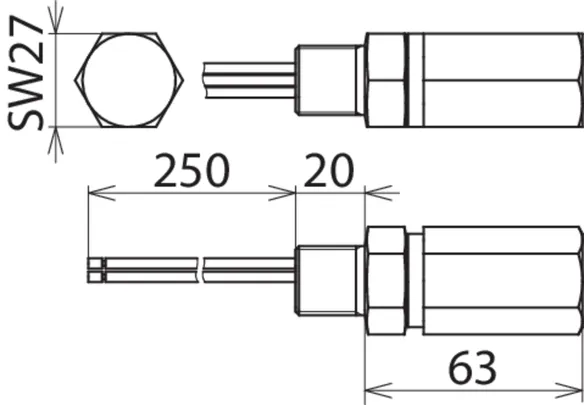
For mounting on (field / device side) | M20 x 1.5 female thread / M20 x 1.5 male thread |
Approvals | SIL |
*) For details see: www.dehn-international.com |
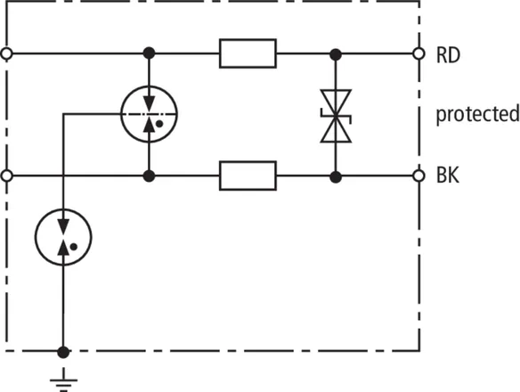
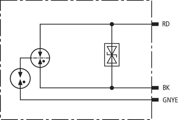
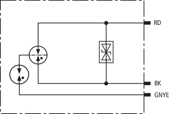
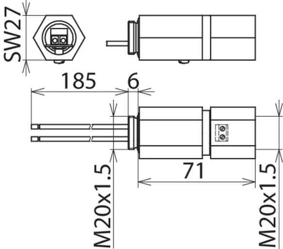
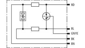
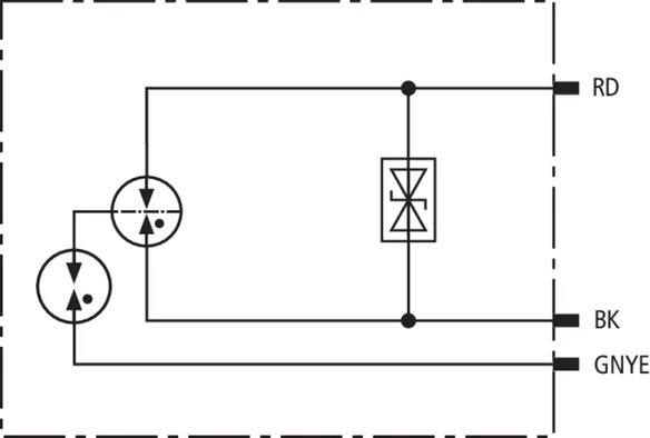
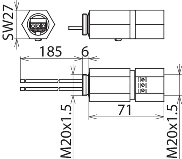
Part No. 929960 DPI MD EX 24 M 2
GTIN 4013364098145, Customs tariff No. (EU): 85363010, Gross weight: 185.80 g, PU: 1.00 pc(s)
Technical data
SPD class | T |
Max. continuous operating voltage (d.c.) (UC ) | 34.8 V |
Nominal current (IL ) | 0.5 A |
D1 Lightning impulse current (10/350 µs) per line (Iimp ) | 1 kA |
C2 Total nominal discharge current (8/20 µs) (In ) | 10 kA |
Cut-off frequency line-line (fG ) | 7 MHz |
For mounting on (field / device side) | M20 x 1.5 female thread / M20 x 1.5 male thread |
Approvals | ATEX, IECEx, CCC, CSA & USA Hazloc, SIL |
*) For details see: www.dehn-international.com |
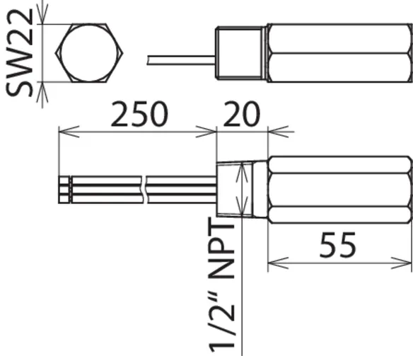
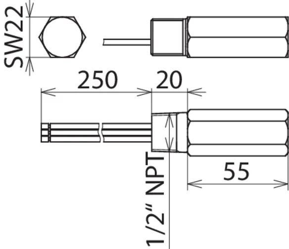
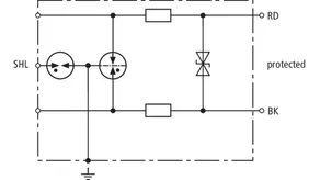
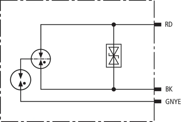
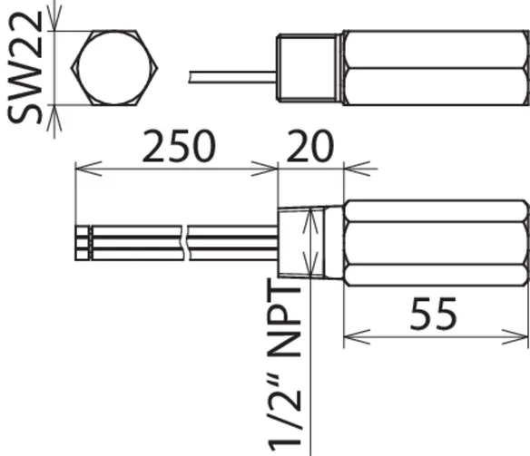
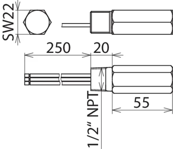
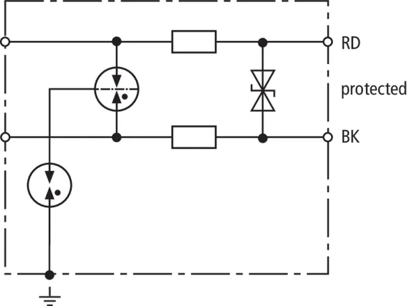
Part No. 929965 DPI MD EX 24 N 2
GTIN 4013364360778, Customs tariff No. (EU): 85363010, Gross weight: 185.00 g, PU: 1.00 pc(s)
Technical data
SPD class | T |
Max. continuous operating voltage (d.c.) (UC ) | 34.8 V |
Nominal current (IL ) | 0.5 A |
D1 Lightning impulse current (10/350 µs) per line (Iimp ) | 1 kA |
C2 Total nominal discharge current (8/20 µs) (In ) | 10 kA |
Cut-off frequency line-line (fG ) | 7 MHz |
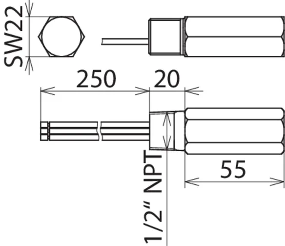
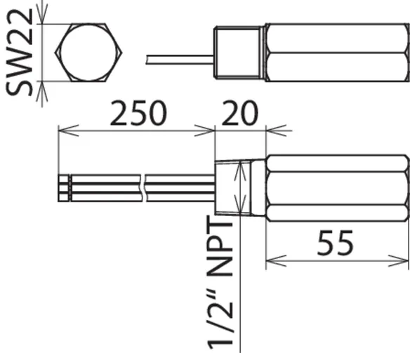
For mounting on (field / device side) | 1/2-14 NPT female thread / 1/2-14 NPT male thread |
Approvals | ATEX, IECEx, CCC, SIL |
*) For details see: www.dehn-international.com |
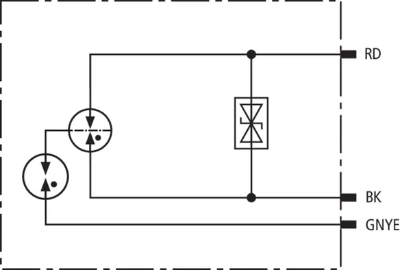
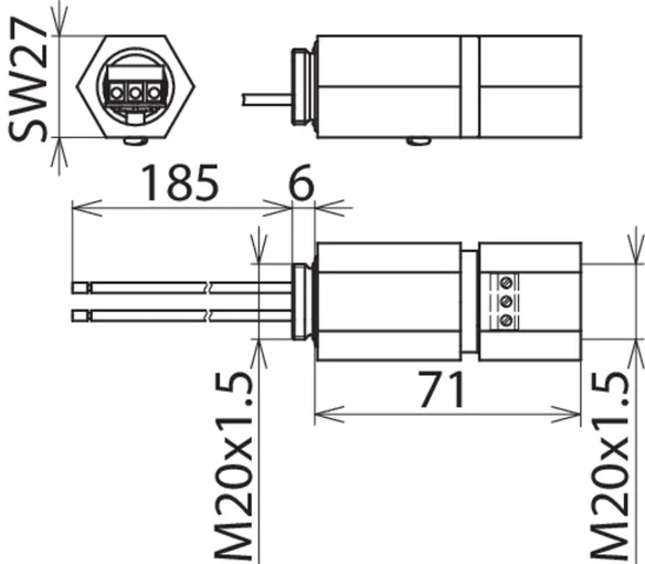
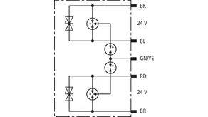
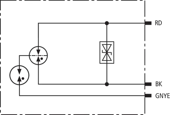
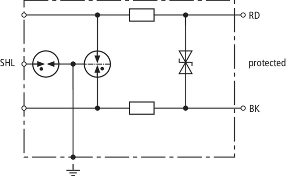
Part No. 929961 DPI CD EXI 24 M
GTIN 4013364101784, Customs tariff No. (EU): 85363010, Gross weight: 183.00 g, PU: 1.00 pc(s)
Technical data
SPD class | T |
Max. continuous operating voltage (d.c.) (UC ) | 32 V |
Nominal current (IL ) | 0.55 A |
D1 Lightning impulse current (10/350 µs) line-PG (Iimp ) | 1 kA |
C2 Total nominal discharge current (8/20 µs) (In ) | 10 kA |
Cut-off frequency line-line (fG ) | 67 MHz |
For mounting on (field / device side) | M20 x 1.5 male thread |
Approvals | ATEX, IECEx, CCC, CSA & USA Hazloc, SIL |
*) For details see: www.dehn-international.com |
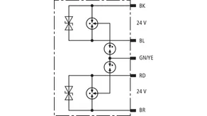
Part No. 929963 DPI CD EXI 24 N
GTIN 4013364101807, Customs tariff No. (EU): 85363010, Gross weight: 196.00 g, PU: 1.00 pc(s)
Technical data
SPD class | T |
Max. continuous operating voltage (d.c.) (UC ) | 32 V |
Nominal current (IL ) | 0.55 A |
D1 Lightning impulse current (10/350 µs) line-PG (Iimp ) | 1 kA |
C2 Total nominal discharge current (8/20 µs) (In ) | 10 kA |
Cut-off frequency line-line (fG ) | 67 MHz |
For mounting on (field / device side) | 1/2-14 NPT male thread |
Approvals | ATEX, IECEx, CCC, CSA & USA Hazloc, SIL |
*) For details see: www.dehn-international.com |
Part No. 929962 DPI CD EXD 24 M
GTIN 4013364101791, Customs tariff No. (EU): 85363010, Gross weight: 183.00 g, PU: 1.00 pc(s)
Technical data
SPD class | T |
Max. continuous operating voltage (d.c.) (UC ) | 32 V |
Nominal current (IL ) | 0.55 A |
D1 Lightning impulse current (10/350 µs) line-PG (Iimp ) | 1 kA |
C2 Total nominal discharge current (8/20 µs) (In ) | 10 kA |
Cut-off frequency line-line (fG ) | 67 MHz |
For mounting on (field / device side) | M20 x 1.5 male thread |
Approvals | ATEX, IECEx, CCC, CSA & USA Hazloc, SIL |
*) For more detailed information, please visit www.dehn-international.com. |
Part No. 929964 DPI CD EXD 24 N
GTIN 4013364101814, Customs tariff No. (EU): 85363010, Gross weight: 183.00 g, PU: 1.00 pc(s)
Technical data
SPD class | T |
Max. continuous operating voltage (d.c.) (UC ) | 32 V |
Nominal current (IL ) | 0.55 A |
D1 Lightning impulse current (10/350 µs) line-PG (Iimp ) | 1 kA |
C2 Total nominal discharge current (8/20 µs) (In ) | 10 kA |
Cut-off frequency line-line (fG ) | 67 MHz |
For mounting on (field / device side) | 1/2-14 NPT male thread |
Approvals | ATEX, IECEx, CCC, CSA & USA Hazloc, SIL |
*) For more detailed information, please visit www.dehn-international.com. |
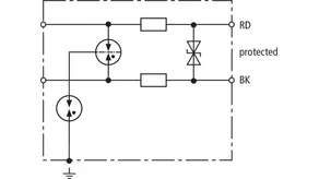
Part No. 929971 DPI CD HF EXD 5 M
GTIN 4013364120761, Customs tariff No. (EU): 85363010, Gross weight: 285.60 g, PU: 1.00 pc(s)
Technical data
SPD class | T |
Max. continuous operating voltage (d.c.) (UC ) | 6 V |
Nominal current at 80 °C (IL ) | 0.1 A |
C2 Total nominal discharge current (8/20 µs) (In ) | 20 kA |
Cut-off frequency line-line (fG ) | 100 MHz |
For mounting on (field / device side) | M20 x 1.5 male thread |
Approvals | ATEX, IECEx, CCC, CSA & USA Hazloc, SIL |
*) For more detailed information, please visit www.dehn-international.com. |
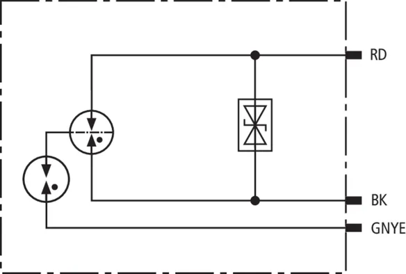
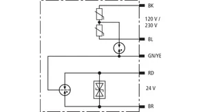
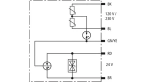
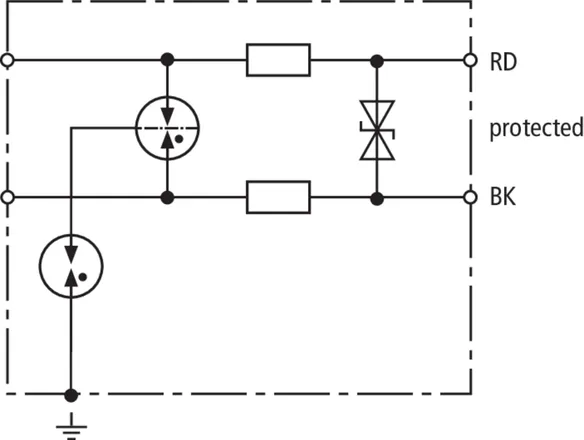
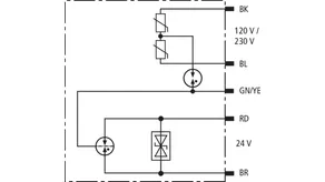
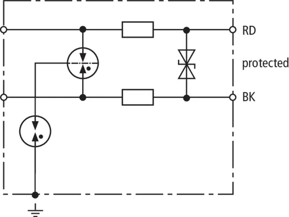
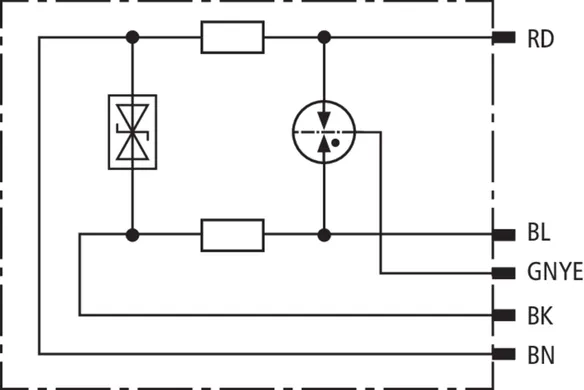
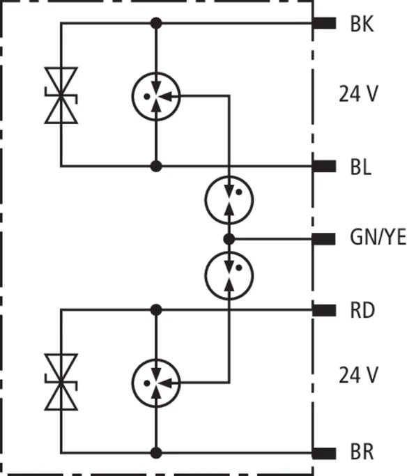
DPI CD EXD 230 24
Flameproof surge arrester for the data and power side for protecting one 120 / 230 V power supply system and one 24 V data interface of field devices in potentially explosive areas (zones 1 and 2).
Additional safety due to fault-proof Y circuit for 120 / 230 V power supply systems.
II 2 G Ex d IIC T5/T6 version universally applicable in hazardous zones 1 and 2. Certified to CSA and USA Hazloc standards.
2 Products
Part No. 929969 DPI CD EXD 230 24 M
GTIN 4013364127418, Customs tariff No. (EU): 85363010, Gross weight: 280.00 g, PU: 1.00 pc(s)
Technical data
Protection of the data side | |
SPD class | U |
Max. continuous operating voltage (d.c.) (UC ) | 32 V |
Nominal current at 80 °C (IL ) | 0.55 A |
D1 Lightning impulse current (10/350 µs) line-PG (Iimp ) | 1 kA |
C2 Total nominal discharge current (8/20 µs) (In ) | 10 kA |
For mounting on (field / device side) | M20 x 1.5 male thread |
Approvals | ATEX, IECEx, CCC, CSA & USA Hazloc, SIL |
*) For more detailed information, please visit www.dehn.de. | |
Protection of the power side | |
SPD according to EN 61643-11 / IEC 61643-11 | type 2 / class II |
Max. continuous operating voltage (a.c.) (UC ) | 255 V |
Total discharge current (8/20 µs) L+N-PE (Itotal ) | 5 kA |
Voltage protection level L-N (UP ) | ≤ 1.4 kV |
Max. mains-side overcurrent protection | 16 A gG or B 16 A |
Part No. 929970 DPI CD EXD 230 24 N
GTIN 4013364127425, Customs tariff No. (EU): 85363010, Gross weight: 273.00 g, PU: 1.00 pc(s)
Technical data
Protection of the data side | |
SPD class | U |
Max. continuous operating voltage (d.c.) (UC ) | 32 V |
Nominal current at 80 °C (IL ) | 0.55 A |
D1 Lightning impulse current (10/350 µs) line-PG (Iimp ) | 1 kA |
C2 Total nominal discharge current (8/20 µs) (In ) | 10 kA |
For mounting on (field / device side) | 1/2-14 npt male thread |
Approvals | ATEX, IECEx, CCC, CSA & USA Hazloc, SIL |
*) For more detailed information, please visit www.dehn.de. | |
Protection of the power side | |
SPD according to EN 61643-11 / IEC 61643-11 | type 2 / class II |
Max. continuous operating voltage (a.c.) (UC ) | 255 V |
Total discharge current (8/20 µs) L+N-PE (Itotal ) | 5 kA |
Voltage protection level L-N (UP ) | ≤ 1.4 kV |
Max. mains-side overcurrent protection | 16 A gG or B 16 A |
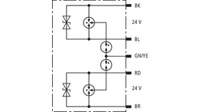
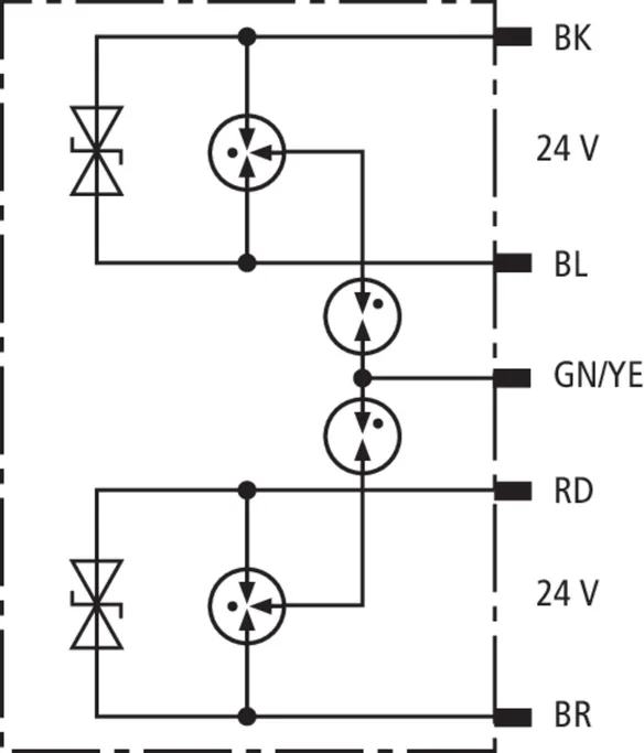
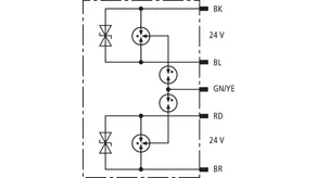
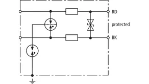
Part No. 929950 DPI CD EXI+D 2X24 M
GTIN 4013364137387, Customs tariff No. (EU): 85363010, Gross weight: 247.00 g, PU: 1.00 pc(s)
Technical data
SPD class | T |
Max. continuous operating voltage (d.c.) (UC ) | 36 V |
Nominal current (IL ) | 0.55 A |
D1 Lightning impulse current (10/350 µs) line-PG (Iimp ) | 1.5 kA |
C2 Total nominal discharge current (8/20 µs) (In ) | 20 kA |
For mounting on (field / device side) | M20 x 1.5 male thread |
Approvals | ATEX, IECEx, CCC, CSA & USA Hazloc, SIL |
*) For details see: www.dehn-international.com |
Part No. 929951 DPI CD EXI+D 2X24 N
GTIN 4013364137394, Customs tariff No. (EU): 85363010, Gross weight: 247.00 g, PU: 1.00 pc(s)
Technical data
SPD class | T |
Max. continuous operating voltage (d.c.) (UC ) | 36 V |
Nominal current (IL ) | 0.55 A |
D1 Lightning impulse current (10/350 µs) line-PG (Iimp ) | 1.5 kA |
C2 Total nominal discharge current (8/20 µs) (In ) | 20 kA |
For mounting on (field / device side) | 1/2-14 NPT male thread |
Approvals | ATEX, IECEx, CCC, CSA & USA Hazloc, SIL |
*) For details see: www.dehn-international.com |