DEHNgap C S

  • Specifically designed for use in 3+1 and 1+1 configurations of TT systems acc. to IEC 60364-5-53 between neutral conductor N and protective conductor PE
  • High discharge capacity
  • Two-part surge arrester consisting of a base part and a pluggable spark-gap-based protection module
  • Energy coordination with other arresters of the Red/Line product family
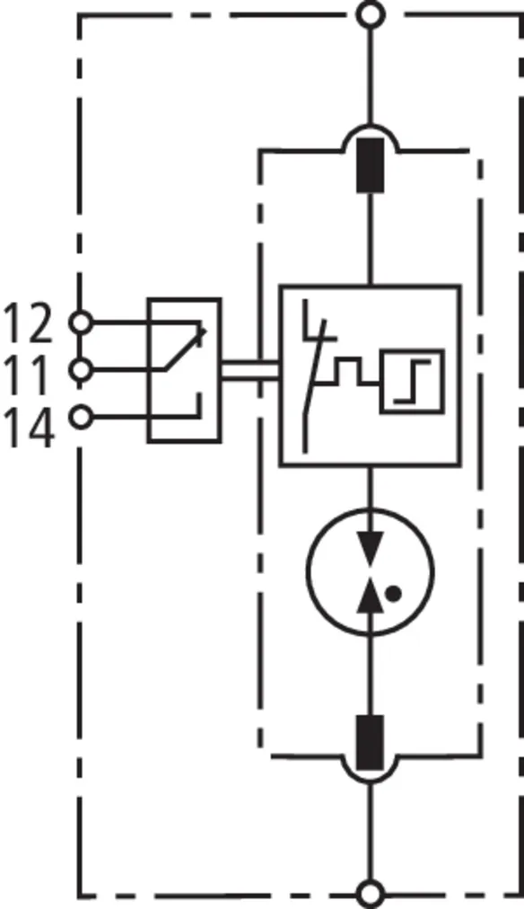
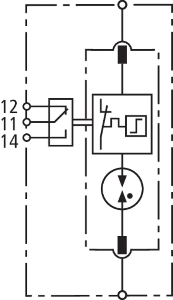
  • Operating state / fault indication by green / red indicator flag in the inspection window
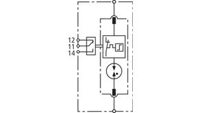
  • With remote signalling contact for monitoring device
  • Easy replacement of protection modules without tools due to module locking system with module release button
  • Vibration and shock-tested according to EN 60068-2

DEHNgap C S (FM)

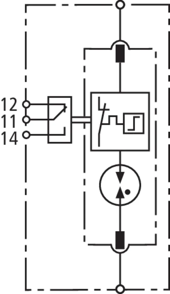
N-PE surge arrester; FM version with floating remote signalling contact.

2 Products

Part No. 952030 DGP C S

GTIN 4013364108530, Customs tariff No. (EU): 85363030, Gross weight: 121.00 g, PU: 1.00 pc(s)

Predecessor

Images

Additional information

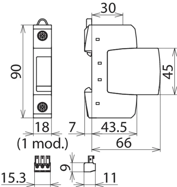
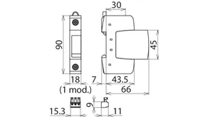
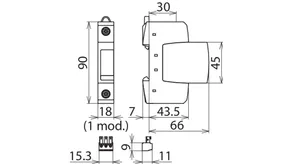
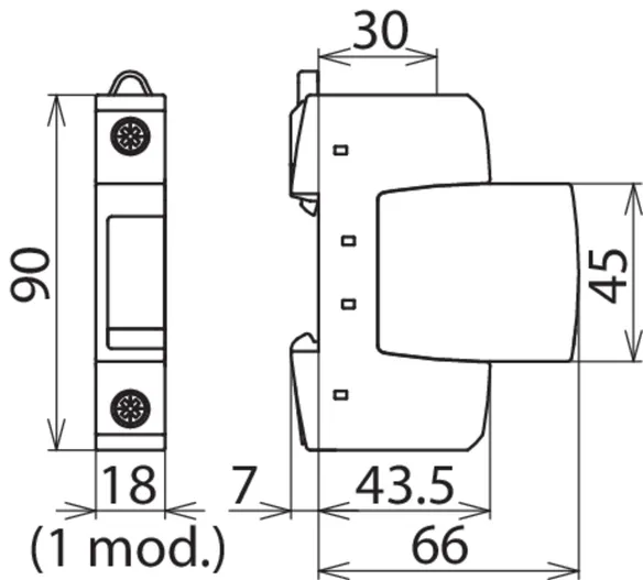
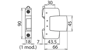
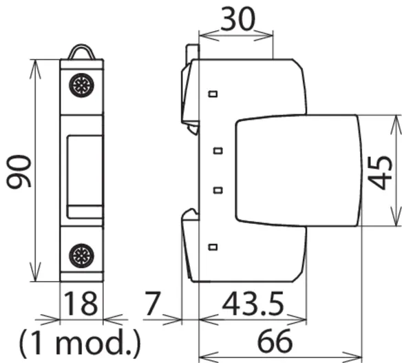
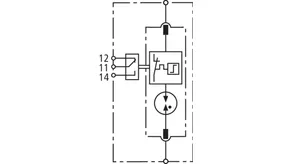
DEHNgap C S N-PE surge arrester
N-PE surge arrester, width: 1 module
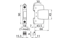
Fault indication
Type 2 SPD according to EN 61643-11
Base part with plugged-in spark-gap-base protection module
Nominal discharge current (8/20): 20 kA
Lightning impulse current (10/350): 12 kA
Voltage protection level: <= 1.5 kV
Follow current extinguishing capability: 100 Arms at 255 V a.c.
Energy-coordinated according to IEC 62305-4
with arresters of the Red/Line series

Brand: DEHN
Type: DGP C S
Part No.: 952030
or equivalent.

Certificates

 

Technical data

SPD according to EN 61643-11 / IEC 61643-11 type 2 / class II
Max. continuous operating voltage (a.c.) (UC ) 255 V (50 / 60 Hz)
Nominal discharge current (8/20 µs) (In ) 20 kA
Max. discharge current (8/20 µs) (Imax ) 40 kA
Voltage protection level (UP ) ≤ 1.5 kV
Approvals KEMA, VDE, UL

Product 952030 was added to Notepad.

Product 952030 was added to the cart.

Part No. 952035 DGP C S FM

GTIN 4013364108547, Customs tariff No. (EU): 85363030, Gross weight: 125.00 g, PU: 1.00 pc(s)

Predecessor

Images

Additional information

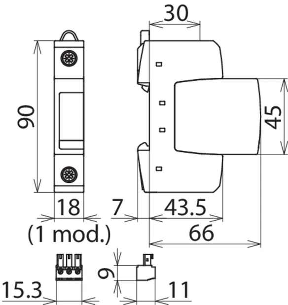
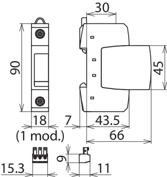
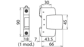
DEHNgap C S FM N-PE surge arrester
N-PE surge arrester
with remote signalling contact, width: 1 module
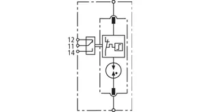
Fault indication
Type 2 SPD according to EN 61643-11
Base part with plugged-in spark-gap-based protection module
Nominal discharge current (8/20): 20 kA
Lightning impulse current (10/350): 12 kA
Voltage protection level: <= 1.25 kV
Follow current extinguishing capability: 100 Arms at 255 V a.c.
Energy-coordinated according to IEC 62305-4
with arresters of the Red/Line series

Brand: DEHN
Type: DGP C S FM
Part No.: 952035
or equivalent.

Certificates

 

Technical data

SPD according to EN 61643-11 / IEC 61643-11 type 2 / class II
Max. continuous operating voltage (a.c.) (UC ) 255 V (50 / 60 Hz)
Nominal discharge current (8/20 µs) (In ) 20 kA
Max. discharge current (8/20 µs) (Imax ) 40 kA
Voltage protection level (UP ) ≤ 1.5 kV
Approvals KEMA, VDE, UL
Type of remote signalling contact changeover contact

Product 952035 was added to Notepad.

Product 952035 was added to the cart.


back to top