DEHNventil ZP
:quality(98)/www.dehn.co.uk/store/f/57502286/HDVORSCHAU/DEHNventil%20ZP_fam_16-9.jpg)
:quality(98)/www.dehn.co.uk/store/f/57502286/HDVORSCHAU/DEHNventil%20ZP_fam_16-9.jpg)
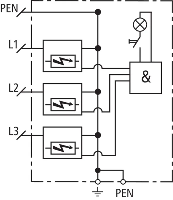
- Type 1 and type 2 combined lightning current and surge arrester with RADAX Flow spark gap technology
- Fully compliant with all requirements of VDE-AR-N 4100 on the use of SPDs upstream of the meter panel
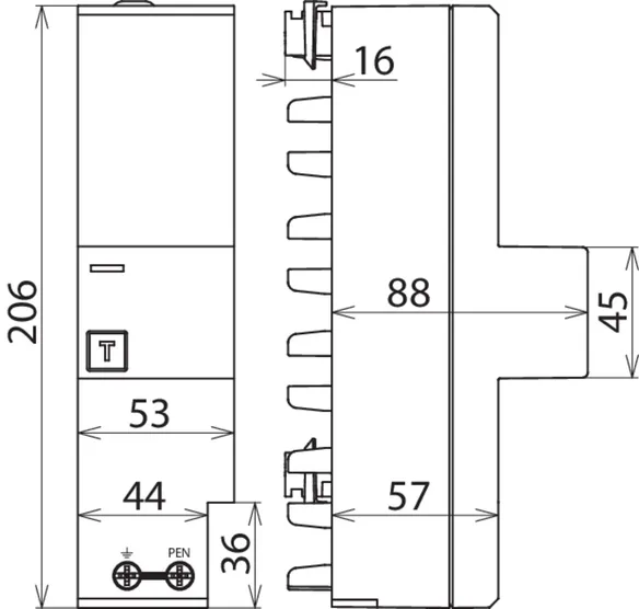
- Quick and easy installation by snapping the arrester onto 40 mm busbar systems
- Test for correct operation by pressing the button with indicator light
- No tripping of 32 A gG fuses up to short-circuit currents of 25 kArms
- Discharge capacity up to 100 kA (10/350 µs)
- Capable of protecting terminal equipment
- Maximum system availability
Details
:quality(98)/www.dehn.co.uk/store/f/57502287/HDVORSCHAU/900390a17.jpg)
:quality(98)/www.dehn.co.uk/store/f/57502287/HDVORSCHAU/900390a17.jpg)
:quality(98)/www.dehn.co.uk/store/f/57502288/HDVORSCHAU/900390a2.jpg)
:quality(98)/www.dehn.co.uk/store/f/57502288/HDVORSCHAU/900390a2.jpg)
Part No. 900390 DV ZP TNC 255
GTIN 4013364105751, Customs tariff No. (EU): 85363090, Gross weight: 957.00 g, PU: 1.00 pc(s)
PredecessorTechnical data
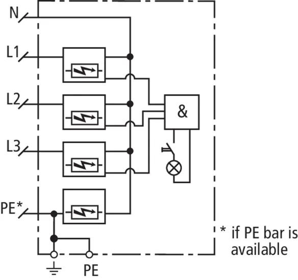
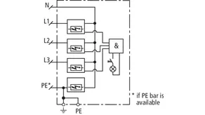
SPD according to EN 61643-11 / IEC 61643-11 | type 1 + type 2 / class I + class II |
Max. continuous operating voltage (a.c.) (UC ) | 255 V (50 / 60 Hz) |
Lightning impulse current (10/350 µs) [L1+L2+L3-PEN] (Itotal ) | 75 kA |
Lightning impulse current (10/350 µs) [L-PEN] (Iimp ) | 25 kA |
Voltage protection level (UP ) | ≤ 1.5 kV |
Max. backup fuse up to IK = 25 kArms | 315 A gG |
Approvals | VDE |
Part No. 900391 DV ZP TT 255
GTIN 4013364105768, Customs tariff No. (EU): 85363090, Gross weight: 1.08 kg, PU: 1.00 pc(s)
PredecessorTechnical data
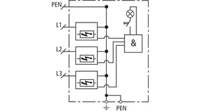
SPD according to EN 61643-11 / IEC 61643-11 | type 1 + type 2 / class I + class II |
Max. continuous operating voltage (a.c.) (UC ) | 255 V (50 / 60 Hz) |
Lightning impulse current (10/350 µs) [L1+L2+L3+N-PE] (Itotal ) | 100 kA |
Lightning impulse current (10/350 µs) [L-N] (Iimp ) | 25 kA |
Lightning impulse current (10/350 µs) [N-PE] (Iimp ) | 100 kA |
Voltage protection level [L-N] (UP ) | ≤ 1.5 kV |
Voltage protection level [N-PE] (UP ) | ≤ 1.5 kV |
Max. backup fuse up to IK = 25 kArms | 315 A gG |
Approvals | VDE |