Leitungshalter für HVI power Leitung in Ex-Bereichen

Der Betreiber einer explosionsgefährdeten Betriebsstätte ist verpflichtet, diese Anlagen / -teile in die unterschiedlichen explosionsgefährdeten Bereiche einzuteilen. Für diese Anlagen ist der Blitz als potentielle Zündquelle zu beachten. Aufgrund der nationalen Betriebssicherheitsverordnung wird die Erstellung eines Explosionsschutzdokumentes gefordert. Das Explosionsschutzdokument beschreibt die unterschiedlichen explosionsgefährdeten Bereiche.

Das Produkt HVI power Leitung ist für den Einsatz in explosionsgefährdeten Bereichen der Ex-Zone 1 (Gase, Dämpfe, Nebel) sowie Ex-Zone 21 (Stäube) geeignet.
Die besonderen Installationsbedingungen stellen sicher, dass ein elektrischer Funke zu benachbarten metallenen Teilen beim Blitzstromdurchgang durch die HVI power Leitung verhindert wird.

Details

lorem ipsum
lorem ipsum

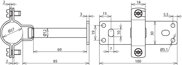
HVI power Ex W85 holder

Zur Befestigung auf metallenen Konstruktionsteilen (Fassaden) in den Ex-Zonen 1 und 21.

1 Product

Part No. 275450 LH ZS 27 EX W85 BP V2A

GTIN 4013364244436, Customs tariff No. (EU): 85389099, Gross weight: 179.40 g, PU: 10.00 Stk.


Images

Additional information

Leitungshalter für HVI power Leitung in Ex-Bereichen NIRO
Leitungshalter für HVI power Leitung in Ex-Bereichen
mit Distanzstück 85 mm zur Befestigung auf
metallenen Konstruktionsteilen (Fassaden)
in den Ex-Zonen 1 und 21
Leitungshalter Aufnahme Rd: 27 mm
Befestigung: [4x] Ø5,1 / [2x] 7 x 10 mm
Normenbezug: DIN IEC/TS 62561-8 (VDE V 0185-561-8)

Fabrikat: DEHN
Typ: LH ZS 27 EX W85 BP V2A
Art.-Nr.: 275450
oder gleichwertig.

Certificates

 

Technical data

Werkstoff NIRO
Leitungshalter Aufnahme Rd 27 mm
Wandabstand 85 mm
Befestigung [4x] Ø5,1 / [2x] 7 x 10 mm
Normenbezug DIN IEC/TS 62561-8 (VDE V 0185-561-8)

Product 275450 was added to Notepad.

Product 275450 was added to the cart.


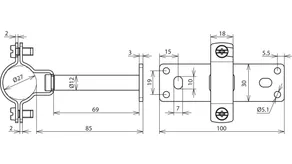
HVI power Ex W240 holder

Zur Befestigung auf metallenen Konstruktionsteilen (Fassaden) in den Ex-Zonen 1 und 21.

1 Product

Part No. 275451 LH ZS 27 EX W240 BP V2A

GTIN 4013364244498, Customs tariff No. (EU): 85389099, Gross weight: 291.40 g, PU: 10.00 Stk.


Images

Additional information

Leitungshalter für HVI power Leitung in Ex-Bereichen NIRO
Leitungshalter für HVI power Leitung in Ex-Bereichen
mit Distanzstück 240 mm zur Befestigung auf
metallenen Konstruktionsteilen (Fassaden)
in den Ex-Zonen 1 und 21
Leitungshalter Aufnahme Rd: 27 mm
Befestigung: [4x] Ø5,1 / [2x] 7 x 10 mm
Normenbezug: DIN IEC/TS 62561-8 (VDE V 0185-561-8)

Fabrikat: DEHN
Typ: LH ZS 27 EX W240 BP V2A
Art.-Nr.: 275451
oder gleichwertig.

Certificates

 

Technical data

Werkstoff NIRO
Leitungshalter Aufnahme Rd 27 mm
Wandabstand 240 mm
Befestigung [4x] Ø5,1 / [2x] 7 x 10 mm
Normenbezug DIN IEC/TS 62561-8 (VDE V 0185-561-8)

Product 275451 was added to Notepad.

Product 275451 was added to the cart.


HVI power Ex busbar 500

Für die Verlegung der HVI power Leitung mit Leitungshaltern HVI Ex W85 holder (Art.-Nr. 275 450) auf einer nichtleitenden Struktur z. B. Stein, Holz.

1 Product

Part No. 275498 VS EX 500 V2A

GTIN 4013364146945, Customs tariff No. (EU): 85389099, Gross weight: 320.00 g, PU: 10.00 Stk.

Predecessor

Images

Additional information

Verbindungsstrebe Ex busbar 500 für Leitungshalter NIRO
Verbindungsstrebe für die Verlegung der HVI Leitung
in Ex-Bereichen mit Leitungshaltern HVI Ex (Art.-Nr. 275 440, 275 441)
auf einer nichtleitenden Struktur z. B. Stein, Holz
Befestigung: [4x] Ø5,5 / [2x] 7 x 10 mm

Fabrikat: DEHN
Typ: VS EX 500 V2A
Art.-Nr.: 275498
oder gleichwertig.

Certificates

 

Technical data

Befestigung [4x] Ø5,5 / [2x] 7 x 10 mm

Product 275498 was added to Notepad.

Product 275498 was added to the cart.


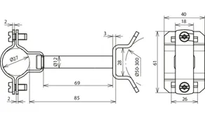
HVI power Ex P85 holder

Zur Befestigung an Rohren z. B. mit Bandrohrschelle (Art.-Nr. 106 323) in den Ex-Zonen 1 und 21.

1 Product

Part No. 275454 LH ZS 27 EX P85 SBB V2A

GTIN 4013364244504, Customs tariff No. (EU): 85389099, Gross weight: 188.50 g, PU: 10.00 Stk.


Images

Additional information

Leitungshalter für HVI power Leitung in Ex-Bereichen NIRO
Leitungshalter für HVI power Leitung in Ex-Bereichen
mit Distanzstück 85 mm zur Befestigung an Rohren z.B.
mit Bandrohrschelle (Art.-Nr. 106 323, separat zu bestellen)
in den Ex-Zonen 1 und 21
Leitungshalter Aufnahme Rd: 27 mm
Klemmbereich Rohr: 50-300 mm
Normenbezug: DIN IEC/TS 62561-8 (VDE V 0185-561-8)

Fabrikat: DEHN
Typ: LH ZS 27 EX P85 SBB V2A
Art.-Nr.: 275454
oder gleichwertig.

Certificates

 

Technical data

Werkstoff NIRO
Leitungshalter Aufnahme Rd 27 mm
Wandabstand 85 mm
Klemmbereich Rohr 50-300 mm
Normenbezug DIN IEC/TS 62561-8 (VDE V 0185-561-8)

Product 275454 was added to Notepad.

Product 275454 was added to the cart.


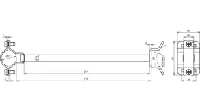
HVI power Ex P240 holder

Zur Befestigung an Rohren z. B. mit Bandrohrschelle (Art.-Nr. 106 323) in den Ex-Zonen 1 und 21.

1 Product

Part No. 275455 LH ZS 27 EX P240 SBB V2A

GTIN 4013364244535, Customs tariff No. (EU): 85389099, Gross weight: 296.30 g, PU: 10.00 Stk.


Images

Additional information

Leitungshalter für HVI power Leitung in Ex-Bereichen NIRO
Leitungshalter für HVI power Leitung in Ex-Bereichen
mit Distanzstück 240 mm zur Befestigung an Rohren z.B.
mit Bandrohrschelle (Art.-Nr. 106 323, separat zu bestellen)
in den Ex-Zonen 1 und 21
Leitungshalter Aufnahme Rd: 27 mm
Klemmbereich Rohr: 50-300 mm
Normenbezug: DIN IEC/TS 62561-8 (VDE V 0185-561-8)

Fabrikat: DEHN
Typ: LH ZS 27 EX P240 SBB V2A
Art.-Nr.: 275455
oder gleichwertig.

Certificates

 

Technical data

Werkstoff NIRO
Leitungshalter Aufnahme Rd 27 mm
Wandabstand 240 mm
Klemmbereich Rohr 50-300 mm
Normenbezug DIN IEC/TS 62561-8 (VDE V 0185-561-8)

Product 275455 was added to Notepad.

Product 275455 was added to the cart.


back to top