DEHNguard modular E (Y)PV SCI 1500

  • Verdrahtungsfertige, modulare Kompletteinheit für Photovoltaik-Anlagen bis 1500 V, bestehend aus Basisteil und gesteckten Schutzmodulen
  • Kombinierte Abtrenn- und Kurzschließvorrichtung mit sicherer elektrischer Trennung im Schutzmodul (patentiertes SCI-Prinzip)
  • Neuartiges Design zum sicheren Einsatz in PV-Anlagen bis 1500 V
  • Geprüft nach EN 50539-11
  • Einsetzbar in allen PV-Systemen gemäß IEC 60364-7-712

Details

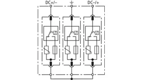
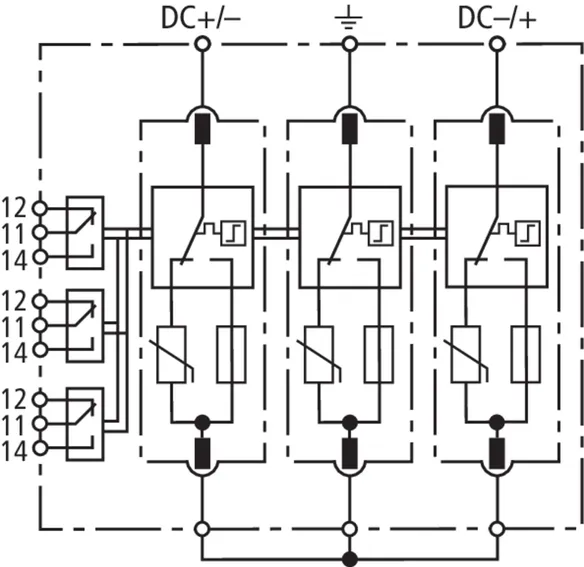
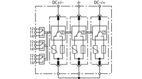
Dreistufige DC-Schalteinrichtung (patentiertes SCI-Prinzip)
lorem ipsum

DEHNguard ME YPV SCI 1500 (FM)

Mehrpoliger, modularer Überspannungs-Ableiter mit dreistufiger Gleichspannungs-Schaltvorrichtung für PV-Anlagen.

2 Products

Part No. 952520 DG ME YPV SCI 1500

GTIN 4013364149069, Customs tariff No. (EU): 85354000, Gross weight: 535.70 g, PU: 1.00 Stk.


Images

Additional information

Überspannungs-Ableiter DEHNguard ME YPV SCI 1500
Mehrpoliger, modularer, steckbarer Photovoltaik-Ableiter bis 1500 V DC
mit 3-stufiger DC-Schalteinrichtung, Breite 4,5TE
Defektanzeige
Typ 2 nach EN 50539-11
Einsetzbar gemäß IEC 60364-7-712
Sichere elektrische Trennung im Schutzmodul
Maximale PV-Spannung: <= 1500 V DC
Gesamtableitstoßstrom: 25 kA
Schutzpegel: <= 6 kV
Kurzschlussfestigkeit Iscpv: 10 kA

Fabrikat: DEHN
Typ: DG ME YPV SCI 1500
Art.-Nr.: 952520
oder gleichwertig.

Certificates

 

SCI-Technology

The patented SCI technology with active arc extinction allows to actively, quickly and safely extinguish a possible switching arc in case of overload. The PV fuse integrated in the short-circuit path trips immediately after the arc has been extinguished, thus ensuring safe electrical isolation (interruption). Consequently, all PV arresters from DEHN combine surge protection, fire protection and personal protection in a single device

Technical data

SPD nach EN 61643-31 / ... IEC 61643-31 Typ 2 / Class II
Max. PV-Spannung (UCPV ) 1500 V
Kurzschlussfestigkeit (ISCPV ) 10 kA
Gesamtableitstoßstrom (8/20 µs) (Itotal ) 25 kA
Nennableitstoßstrom (8/20 µs) [(DC+/DC-) --> PE ] (In ) 12,5 kA
Schutzpegel (UP ) ≤ 6 kV
Zulassungen KEMA, UL

Product 952520 was added to Notepad.

Product 952520 was added to the cart.

Part No. 952525 DG ME YPV SCI1500 FM

GTIN 4013364149076, Customs tariff No. (EU): 85354000, Gross weight: 556.00 g, PU: 1.00 Stk.


Images

Additional information

Überspannungs-Ableiter DEHNguard ME YPV SCI 1500 FM
Mehrpoliger, modularer, steckbarer Photovoltaik-Ableiter bis 1500 V DC
mit 3-stufiger DC-Schalteinrichtung, Breite 4,5TE
Defektanzeige, mit Fernmeldekontakt
Typ 2 nach EN 50539-11
Einsetzbar gemäß IEC 60364-7-712
Sichere elektrische Trennung im Schutzmodul
Maximale PV-Spannung: <= 1500 V DC
Gesamtableitstoßstrom: 25 kA
Schutzpegel: <= 6 kV
Kurzschlussfestigkeit Iscpv: 10 kA

Fabrikat: DEHN
Typ: DG ME YPV SCI1500 FM
Art.-Nr.: 952525
oder gleichwertig.

Certificates

 

SCI-Technology

The patented SCI technology with active arc extinction allows to actively, quickly and safely extinguish a possible switching arc in case of overload. The PV fuse integrated in the short-circuit path trips immediately after the arc has been extinguished, thus ensuring safe electrical isolation (interruption). Consequently, all PV arresters from DEHN combine surge protection, fire protection and personal protection in a single device

Technical data

SPD nach EN 61643-31 / ... IEC 61643-31 Typ 2 / Class II
Max. PV-Spannung (UCPV ) 1500 V
Kurzschlussfestigkeit (ISCPV ) 10 kA
Gesamtableitstoßstrom (8/20 µs) (Itotal ) 25 kA
Nennableitstoßstrom (8/20 µs) [(DC+/DC-) --> PE ] (In ) 12,5 kA
Schutzpegel (UP ) ≤ 6 kV
Zulassungen KEMA, UL
FM-Kontakte / Kontaktform Wechsler

Product 952525 was added to Notepad.

Product 952525 was added to the cart.


back to top