Threaded Adapter

For connection to fixed earthing terminals with thread M10, lock nut and spring washer, for use in case of perimeter insulation or thermal insulation composite systems.

1 Product

Part No. 478699 GAD EFP M10 10 L130 V4A

GTIN 4013364158054, Customs tariff No. (EU): 85359000, Gross weight: 130.00 g, PU: 10.00 pc(s)


Images

Additional information

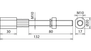
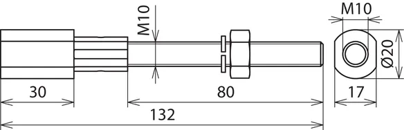
Threaded adapter, StSt (V4A)
Threaded adapter for connection to fixed earthing terminals with M10 thread, lock nut and spring washer, for use with perimeter insulation or thermal insulation composite systems
Material: StSt (V4A)
ASTM / AISI:: 316Ti / 316L / 316
Female thread : M10 x 25 mm
Male thread: M10 x 80 mm
Total length: 130 mm
Standard: EN 62561-1

Brand: DEHN
Type: GAD EFP M10 10 L130 V4A
Part No.: 478699
or equivalent.

Certificates

 

Technical data

Material StSt (V4A)
Material No. 1.4571 / 1.4404 / 1.4401
ASTM / AISI: 316Ti / 316L / 316
Female thread M10 x 25 mm
Male thread M10 x 80 mm
Total length 130 mm
Standard EN 62561-1

Product 478699 was added to Notepad.

Product 478699 was added to the cart.


back to top