Bauteile für Gebäude mit weicher Bedachung

Komponenten für den Blitzschutz bei Weichdächern z. B. aus Reet, Stroh oder Schilf.
Die Fangleitungen auf Dächern aus Reet, Stroh oder Schilf müssen frei gespannt verlegt werden z. B. auf isolierenden Stützen. Auch im Bereich der Traufe sind bestimmte Abstände einzuhalten.
Bei Firstleitungen sind Spannweiten bis etwa 15 m, bei Ableitungen Spannweiten bis etwa 10 m ohne zusätzliche Abstützungen anzustreben. Spannpfähle müssen mit der Dachkonstruktion (Sparren und Querhölzer) mit Durchgangsbolzen und Unterlegscheiben fest verbunden werden.

Blitzschutzanlagen an Gebäuden mit weicher Bedachung „Reetdach“ werden heute häufig mit isolierten HVI Blitzschutz ausgeführt.

Holzpfahl

Mit Regendach, passend für Spannkappe (Art.-Nr. 146 309).

1 Product

Part No. 145241 HP 90X90 2400 EHI

GTIN 4013364022584, Customs tariff No. (EU): 44219999, Gross weight: 52.00 kg, PU: 1.00 Stk.


Images

Additional information

Holzpfahl mit Regendach
Holzpfahl mit Regendach,
für das Verlegen der Fangeinrichtung
auf Weichdächern
Passend für Spannkappe (Art.-Nr. 146 309)
Werkstoff: Eichenholz (imprägniert)
Abmessung: 90 x 90 x 2400 mm

Fabrikat: DEHN
Typ: HP 90X90 2400 EHI
Art.-Nr.: 145241
oder gleichwertig.

 

Technical data

Werkstoff Eichenholz (imprägniert)
Abmessung (l x b x h) 90 x 90 x 2400 mm

Product 145241 was added to Notepad.

Product 145241 was added to the cart.


Spannkappe

Zur Befestigung an Holzpfählen (Art.-Nr. 145 241).
Mit Fangspitze (Länge 300 mm, Ø10 mm in NIRO).

1 Product

Part No. 146309 SPK 100X100 FSP10 300 7.10 V2A

GTIN 4013364072398, Customs tariff No. (EU): 85389099, Gross weight: 864.20 g, PU: 1.00 Stk.


Images

Additional information

Spannkappe zur Befestigung an Holzpfählen
Spannkappe zur Befestigung an Holzpfählen
(Art.-Nr. 145 241) mit Fangspitze
(Länge 300 mm, Ø10 mm in NIRO (V2A))
Werkstoff: NIRO
Aufnahme Rd: 7-10 mm

Fabrikat: DEHN
Typ: SPK 100X100 FSP10 300 7.10 V2A
Art.-Nr.: 146309
oder gleichwertig.

Certificates

 

Technical data

Werkstoff NIRO
Aufnahme Rd 7-10 mm

Product 146309 was added to Notepad.

Product 146309 was added to the cart.


Dachleitungsstütze

Mit Leitungshalter.

1 Product

Part No. 240000 DLS 6.10 134X300X598 EHI

GTIN 4013364022614, Customs tariff No. (EU): 44219999, Gross weight: 1.50 kg, PU: 1.00 Stk.


Images

Additional information

Dachleitungsstütze mit Leitungshalter
Dachleitungsstütze zum Verlegen der Fang-/Ableitung
auf dem Weichdach im
Verlauf zur Traufe
inkl. Leitungshalter mit Kralle
aus NIRO (Art.-Nr. 273 019)
Werkstoff: Eichenholz (imprägniert)
Abmessung: 134 x 300 x 598 mm
Aufnahme Rd: 6-10 mm

Fabrikat: DEHN
Typ: DLS 6.10 134X300X598 EHI
Art.-Nr.: 240000
oder gleichwertig.

Certificates

 

Technical data

Werkstoff Eichenholz (imprägniert)
Abmessung (l x b x h) 134 x 300 x 598 mm
Aufnahme Rd 6-10 mm

Product 240000 was added to Notepad.

Product 240000 was added to the cart.


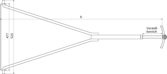
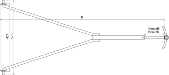
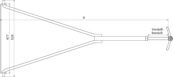
Traufenstütze St/tZn / NIRO

Zum Abspannen der Leitungen / Seile.
Abstand zwischen Wand und Leitungen verstellbar.

4 Products

Part No. 239000 TS 7.10 V1.0 1.15M STTZN

GTIN 4013364022621, Customs tariff No. (EU): 85389099, Gross weight: 4.70 kg, PU: 1.00 Stk.


Images

Additional information

Traufenstütze zum Abspannen der Leitungen / Seile St/tZn
Traufenstütze zum Abspannen der Leitungen,
Abstand zwischen Wand und
Leitungen verstellbar
Werkstoff: St/tZn
Aufnahme Rd: 7-10 mm

Fabrikat: DEHN
Typ: TS 7.10 V1.0 1.15M STTZN
Art.-Nr.: 239000
oder gleichwertig.

Certificates

 

Technical data

Werkstoff St/tZn
Verstellbereich (l1) 1,05-1,20 m
Aufnahme Rd 7-10 mm

Product 239000 was added to Notepad.

Product 239000 was added to the cart.

Part No. 239001 TS 7.10 V1.25 1.40M STTZN

GTIN 4013364022638, Customs tariff No. (EU): 85389099, Gross weight: 5.17 kg, PU: 1.00 Stk.


Images

Additional information

Traufenstütze zum Abspannen der Leitungen / Seile St/tZn
Traufenstütze zum Abspannen der Leitungen,
Abstand zwischen Wand und
Leitungen verstellbar
Werkstoff: St/tZn
Aufnahme Rd: 7-10 mm

Fabrikat: DEHN
Typ: TS 7.10 V1.25 1.40M STTZN
Art.-Nr.: 239001
oder gleichwertig.

Certificates

 

Technical data

Werkstoff St/tZn
Verstellbereich (l1) 1,40-1,55 m
Aufnahme Rd 7-10 mm

Product 239001 was added to Notepad.

Product 239001 was added to the cart.

Part No. 239009 TS 7.10 V1.25 1.55M V2A

GTIN 4013364072350, Customs tariff No. (EU): 85389099, Gross weight: 4.04 kg, PU: 1.00 Stk.


Images

Additional information

Traufenstütze zum Abspannen der Leitungen / Seile NIRO
Traufenstütze zum Abspannen der Leitungen,
Abstand zwischen Wand und
Leitungen verstellbar
Werkstoff: NIRO
Aufnahme Rd: 7-10 mm

Fabrikat: DEHN
Typ: TS 7.10 V1.25 1.55M V2A
Art.-Nr.: 239009
oder gleichwertig.

Certificates

 

Technical data

Werkstoff NIRO
Verstellbereich (l1) 1,25-1,55 m
Aufnahme Rd 7-10 mm

Product 239009 was added to Notepad.

Product 239009 was added to the cart.

Part No. 239019 TS 7.10 V1.45 1.75M V2A

GTIN 4013364093560, Customs tariff No. (EU): 85389099, Gross weight: 5.20 kg, PU: 1.00 Stk.


Images

Additional information

Traufenstütze zum Abspannen der Leitungen / Seile NIRO
Traufenstütze zum Abspannen der Leitungen,
Abstand zwischen Wand und
Leitungen verstellbar
Werkstoff: NIRO
Aufnahme Rd: 7-10 mm

Fabrikat: DEHN
Typ: TS 7.10 V1.45 1.75M V2A
Art.-Nr.: 239019
oder gleichwertig.

Certificates

 

Technical data

Werkstoff NIRO
Verstellbereich (l1) 1,45-1,75 m
Aufnahme Rd 7-10 mm

Product 239019 was added to Notepad.

Product 239019 was added to the cart.


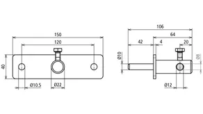
Abspannkloben

Zum Befestigen / Abspannen der Leitungen / des Seiles an der Wand.

1 Product

Part No. 241009 ASK 8 150 40 2XB10.5 V2A

GTIN 4013364072985, Customs tariff No. (EU): 85389099, Gross weight: 383.21 g, PU: 20.00 Stk.


Images

Additional information

Abspannkloben
Abspannkloben zum Befestigen/Abspannen
der Ableitung an der Wand
oder Fassade
Werkstoff: NIRO
Abmessung: 150 x 40 x 6 mm
Aufnahme Rd: 8 mm

Fabrikat: DEHN
Typ: ASK 8 150 40 2XB10.5 V2A
Art.-Nr.: 241009
oder gleichwertig.

Certificates

 

Technical data

Werkstoff NIRO
Abmessung (l x b x t) 150 x 40 x 6 mm
Aufnahme Rd 8 mm

Product 241009 was added to Notepad.

Product 241009 was added to the cart.


back to top