DEHNgap

  • Discharge capacity up to 100 kA (10/350 µs)
  • Total current arrester specifically designed for installation in 3+1 and 1+1 configurations of TT systems according to IEC 60364-5-53 between neutral conductor N and protective conductor PE
  • Creepage discharge spark gap technology
  • Operating state / fault indication by green / red indicator flag in the inspection window

Details

lorem ipsum

DEHNgap M 255 (FM)

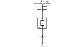
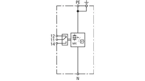
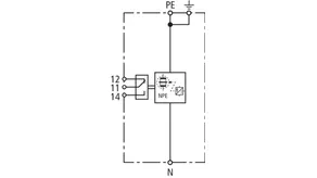
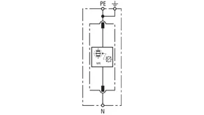
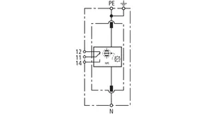
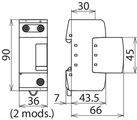
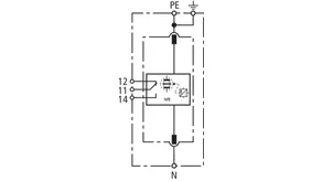
Single-pole, modular coordinated N-PE lightning current arrester for UC = 255 V; optionally available with remote signalling contact for monitoring device (floating changeover contact).

2 Products

Part No. 961101 DGP M 255

GTIN 4013364118676, Customs tariff No. (EU): 85363030, Gross weight: 331.00 g, PU: 1.00 pc(s)

Predecessor

Images

Additional information

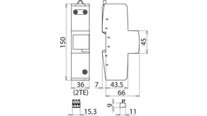
Coordinated DEHNgap M 255 N-PE lightning current arrester
Modular, pluggable and coordinated single-pole N-PE lightning
current arrester, width: 2 modules
Type 1 SPD according to EN 61643-11
Pressurised encapsulated creepage discharge spark gap
Fault indication
Lightning impulse current (10/350): 100 kA
Voltage protection level: <= 1.5 kV
Follow current extinguishing capability: 100 kArms at 255 V a.c.
TOV resistance: 1200 V/200 ms
Energy-coordinated according to IEC 62305-4
with DEHNgap C S N-PE arresters of the Red/Line series

Brand: DEHN
Type: DGP M 255
Part No.: 961101
or equivalent.

Certificates

 

Wave breaker function

In the case of spark-gap-based type 1 arresters, the entire current flows through the type 1 arrester during the discharge process. Like a wave breaker, the incoming energy is greatly broken down, which significantly relieves the downstream SPDs. All type 1 arresters in the Red/Line product range feature the WBF wave breaker function.

Technical data

SPD according to EN 61643-11 / IEC 61643-11 type 1 / class I
Max. continuous operating voltage (a.c.) (UC ) 255 V (50 / 60 Hz)
Lightning impulse current (10/350 µs) (Iimp ) 100 kA
Voltage protection level (UP ) ≤ 1.5 kV
Approvals VDE, KEMA, UL

Product 961101 was added to Notepad.

Product 961101 was added to the cart.

Part No. 961105 DGP M 255 FM

GTIN 4013364118683, Customs tariff No. (EU): 85363030, Gross weight: 336.00 g, PU: 1.00 pc(s)

Predecessor

Images

Additional information

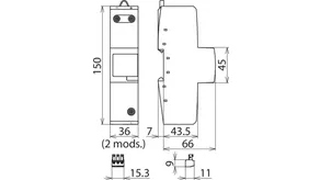
Coordinated DEHNgap M 255 FM N-PE lightning current arrester
Single-pole, modular, pluggable and coordinated N-PE lightning
current arrester, width: 2 modules
with remote signalling contact
Type 1 arrester as per EN 61643-11
RADAX Flow spark gap technology
Fault indication
flag in the inspection window
Lightning impulse current (10/350): 100 kA
Voltage protection level: <= 1.5 kV
Follow current extinguishing capability: 100 Arms at 255 V AC
TOV withstand: 1,200 V/200 ms
Energy coordination according to DIN EN 62305-4
directly to DEHNgap C S N-PE arresters of the Red/Line series

Brand: DEHN
Type: DGP M 255 FM
Part No.: 961105
or equivalent.

Certificates

 

Wave breaker function

In the case of spark-gap-based type 1 arresters, the entire current flows through the type 1 arrester during the discharge process. Like a wave breaker, the incoming energy is greatly broken down, which significantly relieves the downstream SPDs. All type 1 arresters in the Red/Line product range feature the WBF wave breaker function.

Technical data

SPD according to EN 61643-11 / IEC 61643-11 type 1 / class I
Max. continuous operating voltage (a.c.) (UC ) 255 V (50 / 60 Hz)
Lightning impulse current (10/350 µs) (Iimp ) 100 kA
Voltage protection level (UP ) ≤ 1.5 kV
Approvals VDE, KEMA, UL
Type of remote signalling contact changeover contact

Product 961105 was added to Notepad.

Product 961105 was added to the cart.


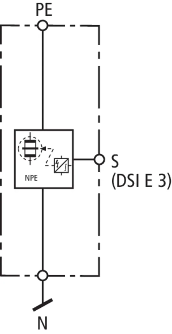
DEHNgap Maxi 1 255 S

Coordinated single-pole N-PE lightning current arrester for busbars.

1 Product

Part No. 900050 DGPM 1 255 S

GTIN 4013364107496, Customs tariff No. (EU): 85363090, Gross weight: 539.00 g, PU: 1.00 pc(s)


Images

Additional information

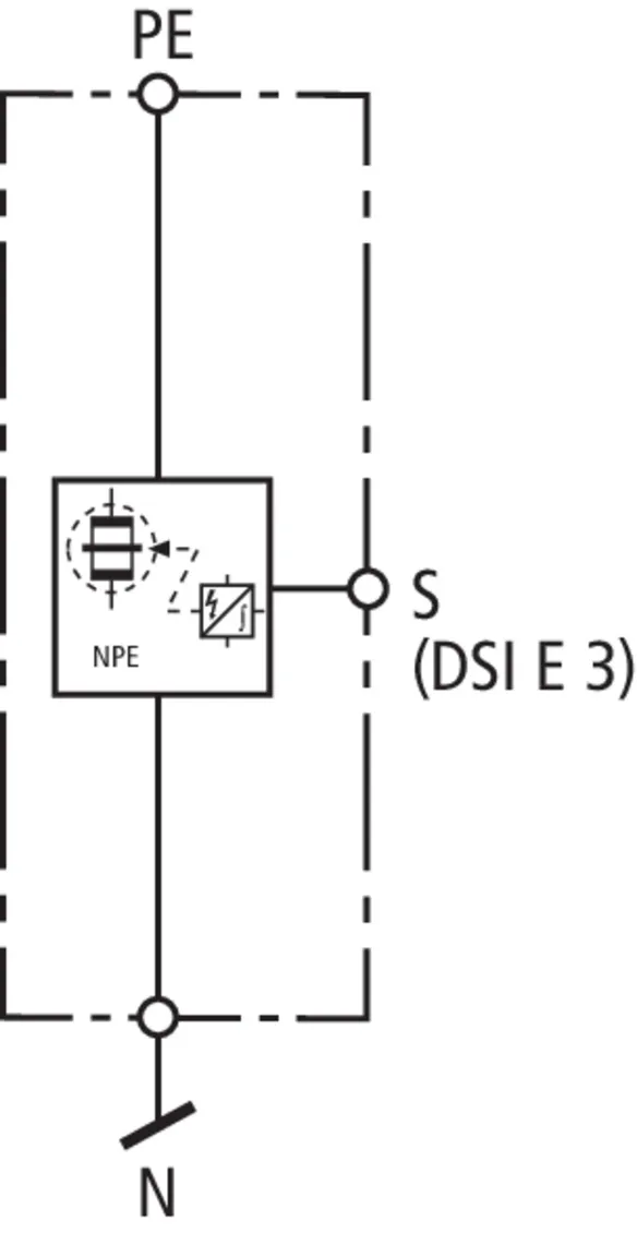
DEHNgap Maxi 1 255 S N-PE lightning current arrester
Single-pole, coordinated N-PE lightning current arrester
for industrial busbar systems
Type 1 arrester as per EN 61643-11
RADAX Flow spark gap technology
Max. continuous operating voltage: 255 V AC
Voltage protection level: <= 2.5 kV (including 80 cm connecting cable)
Lightning impulse current (10/350): 100 kA
Follow current extinguishing capability: 100 Arms
TOV withstand: 1,200 V/200 ms
Energy coordination DIN EN 62305-4
Arrester of the Red/Line series
Installation on N busbars min. 35 mm2
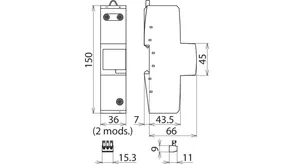
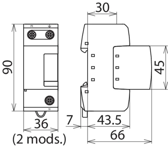
Dimensions (W x H x D): (72 x 89 x 100) mm

Brand: DEHN
Type: DGPM 1 255 S
Part No.: 900050
or equivalent.

Certificates

 

Wave breaker function

In the case of spark-gap-based type 1 arresters, the entire current flows through the type 1 arrester during the discharge process. Like a wave breaker, the incoming energy is greatly broken down, which significantly relieves the downstream SPDs. All type 1 arresters in the Red/Line product range feature the WBF wave breaker function.

Technical data

SPD according to EN 61643-11 / IEC 61643-11 type 1 / class I
Max. continuous operating voltage (a.c.) (UC ) 255 V (50 / 60 Hz)
Lightning impulse current (10/350 µs) (Iimp ) 100 kA
Voltage protection level (UP ) ≤ 2.5 kV (including 80 cm connecting cable)
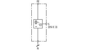
Operating state monitoring via DEHNsignal DSI E 3

Product 900050 was added to Notepad.

Product 900050 was added to the cart.


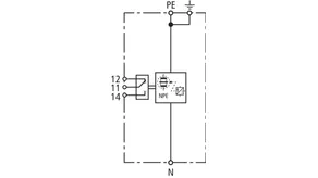
DEHNgap Maxi 1 255 (FM)

Coordinated single-pole N-PE lightning current arrester; FM version with floating remote signalling contact.

2 Products

Part No. 961180 DGPM 1 255

GTIN 4013364157323, Customs tariff No. (EU): 85363090, Gross weight: 460.00 g, PU: 1.00 pc(s)


Images

Additional information

DEHNgap Maxi 1 255 N-PE lightning current arrester
Coordinated N-PE lightning current arrester, width: 2 modules
Type 1 arrester as per EN 61643-11
RADAX Flow spark gap technology
Fault indication
Lightning impulse current (10/350): 100 kA
Voltage protection level: <= 1.5 kV
Follow current extinguishing capability: 100 Arms at 255 V AC
TOV withstand: 1,200 V/200 ms

Brand: DEHN
Type: DGPM 1 255
Part No.: 961180
or equivalent.

Certificates

 

Wave breaker function

In the case of spark-gap-based type 1 arresters, the entire current flows through the type 1 arrester during the discharge process. Like a wave breaker, the incoming energy is greatly broken down, which significantly relieves the downstream SPDs. All type 1 arresters in the Red/Line product range feature the WBF wave breaker function.

Technical data

SPD according to EN 61643-11 / IEC 61643-11 type 1 + type 2 / class I + class II
Max. continuous operating voltage (a.c.) (UC ) 255 V (50 / 60 Hz)
Lightning impulse current (10/350 µs) (Iimp ) 100 kA
Voltage protection level (UP ) ≤ 1.5 kV
Approvals KEMA

Product 961180 was added to Notepad.

Product 961180 was added to the cart.

Part No. 961185 DGPM 1 255 FM

GTIN 4013364157330, Customs tariff No. (EU): 85363090, Gross weight: 460.00 g, PU: 1.00 pc(s)


Images

Additional information

DEHNgap Maxi 1 255 FM N-PE lightning current arrester
Coordinated N-PE lightning current arrester, width: 2 modules
with remote signalling contact
Type 1 arrester as per EN 61643-11
RADAX Flow spark gap technology
Fault indication
Lightning impulse current (10/350): 100 kA
Voltage protection level: <= 1.5 kV
Follow current extinguishing capability: 100 Arms at 255 V AC
TOV withstand: 1,200 V/200 ms

Brand: DEHN
Type: DGPM 1 255 FM
Part No.: 961185
or equivalent.

Certificates

 

Wave breaker function

In the case of spark-gap-based type 1 arresters, the entire current flows through the type 1 arrester during the discharge process. Like a wave breaker, the incoming energy is greatly broken down, which significantly relieves the downstream SPDs. All type 1 arresters in the Red/Line product range feature the WBF wave breaker function.

Technical data

SPD according to EN 61643-11 / IEC 61643-11 type 1 + type 2 / class I + class II
Max. continuous operating voltage (a.c.) (UC ) 255 V (50 / 60 Hz)
Lightning impulse current (10/350 µs) (Iimp ) 100 kA
Voltage protection level (UP ) ≤ 1.5 kV
Approvals KEMA
Type of remote signalling contact changeover contact

Product 961185 was added to Notepad.

Product 961185 was added to the cart.


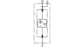
DEHNgap Maxi 440 (FM)

Coordinated single-pole N-PE lightning current arrester; FM version with floating remote signalling contact.

2 Products

Part No. 961160 DGPM 440

GTIN 4013364116290, Customs tariff No. (EU): 85363030, Gross weight: 415.00 g, PU: 1.00 pc(s)


Images

Additional information

DEHNgap Maxi 440 N-PE lightning current arrester
Coordinated N-PE lightning current arrester, width: 2 modules
Type 1 arrester as per EN 61643-11
RADAX Flow spark gap technology
Fault indication
Lightning impulse current (10/350): 100 kA
Voltage protection level: <= 2.5 kV
Follow current extinguishing capability: 100 Arms at 440 V AC
TOV withstand: 1,200 V/200 ms

Brand: DEHN
Type: DGPM 440
Part No.: 961160
or equivalent.

 

Wave breaker function

In the case of spark-gap-based type 1 arresters, the entire current flows through the type 1 arrester during the discharge process. Like a wave breaker, the incoming energy is greatly broken down, which significantly relieves the downstream SPDs. All type 1 arresters in the Red/Line product range feature the WBF wave breaker function.

Technical data

SPD according to EN 61643-11 / IEC 61643-11 type 1 / class I
Max. continuous operating voltage (a.c.) (UC ) 440 V (50 / 60 Hz)
Lightning impulse current (10/350 µs) (Iimp ) 100 kA
Voltage protection level (UP ) ≤ 2.5 kV
Approvals UL

Product 961160 was added to Notepad.

Product 961160 was added to the cart.

Part No. 961165 DGPM 440 FM

GTIN 4013364116306, Customs tariff No. (EU): 85363030, Gross weight: 418.00 g, PU: 1.00 pc(s)


Images

Additional information

DEHNgap Maxi 440 FM N-PE lightning current arrester
Coordinated N-PE lightning current arrester, width: 2 modules
with remote signalling contact
Type 1 arrester as per EN 61643-11
RADAX Flow spark gap technology
Fault indication
Lightning impulse current (10/350): 100 kA
Voltage protection level: <= 2.5 kV
Follow current extinguishing capability: 100 Arms at 440 V AC
TOV withstand: 1,200 V/200 ms

Brand: DEHN
Type: DGPM 440 FM
Part No.: 961165
or equivalent.

 

Wave breaker function

In the case of spark-gap-based type 1 arresters, the entire current flows through the type 1 arrester during the discharge process. Like a wave breaker, the incoming energy is greatly broken down, which significantly relieves the downstream SPDs. All type 1 arresters in the Red/Line product range feature the WBF wave breaker function.

Technical data

SPD according to EN 61643-11 / IEC 61643-11 type 1 / class I
Max. continuous operating voltage (a.c.) (UC ) 440 V (50 / 60 Hz)
Lightning impulse current (10/350 µs) (Iimp ) 100 kA
Voltage protection level (UP ) ≤ 2.5 kV
Approvals UL
Type of remote signalling contact changeover contact

Product 961165 was added to Notepad.

Product 961165 was added to the cart.


DEHNgap H M 255

Modular single-pole N-PE lightning current arrester.

1 Product

Part No. 961102 DGPH M 255

GTIN 4013364118690, Customs tariff No. (EU): 85363030, Gross weight: 300.00 g, PU: 1.00 pc(s)

Predecessor

Images

Additional information

DEHNgap H M 255 N-PE lightning current arrester
Modular, pluggable and coordinated single-pole N-PE
lightning current arrester, width: 2 modules
Type 1 SPD according to EN 61643-11
Pressurised encapsulated creeping discharge spark gap
Lightning impulse current (10/350): 100 kA
Voltage protection level: <= 4 kV
Follow current extinguishing capability: 100 Arms at 255 V a.c.
TOV resistance: 1200 V/200 ms
Energy-coordinated according to IEC 62305-4
with DEHNgap C S N-PE arresters of the Red/Line series

Brand: DEHN
Type: DGPH M 255
Part No.: 961102
or equivalent.

Certificates

 

Wave breaker function

In the case of spark-gap-based type 1 arresters, the entire current flows through the type 1 arrester during the discharge process. Like a wave breaker, the incoming energy is greatly broken down, which significantly relieves the downstream SPDs. All type 1 arresters in the Red/Line product range feature the WBF wave breaker function.

Technical data

SPD according to EN 61643-11 / IEC 61643-11 type 1 / class I
Max. continuous operating voltage (a.c.) (UC ) 255 V (50 / 60 Hz)
Lightning impulse current (10/350 µs) (Iimp ) 100 kA
Voltage protection level (UP ) ≤ 4 kV

Product 961102 was added to Notepad.

Product 961102 was added to the cart.


back to top